|
|
| 不同型號詳細參數表: |
1.DWT-Ⅰ型軸流式屋頂通風機性能參數(固定角度)
|
葉輪直徑
(mm) |
風量
(m3/h) |
風壓
(Pa) |
轉速
(r/min) |
裝機容量
(kW) |
噪聲
dB(A) |
|
300
|
3300
3000 2600 |
181
206 232 |
2850
|
0.37
|
66
|
|
1650
1560 1450 |
62
66 72 |
1450
|
0.06
|
52
|
|
|
400
|
7450
6350 5300 |
193
230 250 |
2850
|
0.75
|
69
|
|
5700
5400 4580 |
176
184 190 |
1450
|
0.55
|
67
|
|
|
500
|
8000
7000 5600 |
135
162 191 |
1450
|
0.55
|
68
|
|
7000
6700 6400 |
113
122 131 |
960
|
0.37
|
63
|
|
|
6000
5000 4100 |
88
92 96 |
720
|
0.25
|
58
|
|
|
600
|
15000
14000 13000 |
232
251 267 |
1450
|
1.5
|
73
|
|
11000
10000 9100 |
168
183 193 |
960
|
1.1
|
67
|
|
|
8500
8000 7600 |
111
127 136 |
720
|
0.55
|
62
|
|
|
700
|
17500
15000 12500 |
165
201 212 |
960
|
1.5
|
69
|
|
12000
11000 9200 |
141
163 177 |
720
|
0.75
|
63
|
|
|
9300
8500 7200 |
83
94 102 |
560
|
0.55
|
59
|
|
|
800
|
27000
25000 23000 |
175
207 228 |
2850
|
2.2
|
72
|
|
20000
18000 16000 |
129
154 167 |
720
|
1.5
|
66
|
|
|
15750
14500 12250 |
78
96 121 |
560
|
0.75
|
63
|
|
|
900
|
34500
2900 24000 |
202
236 256 |
960
|
3.0
|
76
|
|
32000
28000 24000 |
126
156 177 |
720
|
2.2
|
73
|
|
|
24000
21500 18600 |
102
118 126 |
560
|
1.1
|
67
|
|
|
1000
|
50000
45000 39000 |
251
286 317 |
960
|
5.5
|
81
|
|
46000
40000 35000 |
141
167 183 |
720
|
3.0
|
76
|
|
|
28000
24000 20000 |
111
125 133 |
560
|
1.5
|
69
|
|
|
1120
|
56900
49500 40400 |
253
296 322 |
960
|
5.5
|
82
|
|
52500
45000 40000 |
138
169 183 |
720
|
3.0
|
77
|
|
|
32000
28000 25000 |
111
128 142 |
560
|
1.5
|
71
|
2.DWT-Ⅰ型軸流式屋頂通風機性能參數(可變角度)
|
葉輪直徑
mm |
安裝角度
deg |
風量
(m3/h) |
風壓
(Pa) |
轉速
(r/min) |
裝機容量
(kW) |
噪聲
dB(A) |
|
1200
|
22°
19° 16° |
57000
50000 44000 |
196
205 209 |
720
|
5.5
|
73
|
|
1300
|
27°
24° 21° |
4200
37500 33000 |
126
134 148 |
560
|
3
|
67
|
|
1400
|
17°
15° 13° |
76700
68000 57500 |
250
261 268 |
720
|
7.5
|
77
|
|
1400
|
22°
20° 18° |
69000
60000 51500 |
159
169 175 |
480
|
4.0
|
69
|
|
1500
|
19°
17° 15° |
88500
80000 70000 |
195
203 208 |
720
|
7.5
|
78
|
|
23°
21° 19° |
74750
65000 55800 |
149
158 165 |
480
|
4.0
|
70
|
|
|
1600
|
20°
18° 16° |
107500
95000 81500 |
235
248 256 |
720
|
11
|
79
|
|
27°
25° 23° |
61000
52500 42600 |
131
152 167 |
320
|
4.0
|
70
|
|
|
1800
|
17°
15° 13° |
129300
112500 96450 |
261
276 287 |
720
|
150
|
80
|
|
23°
21° 19° |
96250
86150 74300 |
122
136 143 |
480
|
5.5
|
71
|
|
|
26°
23° 20° |
79150
71550 62500 |
115
126 148 |
320
|
4.0
|
66
|
|
|
2000
|
23°
21° 19° |
168700
150000 131000 |
215
234 247 |
480
|
15
|
78
|
|
21°
18° 15° |
125500
11000 95200 |
118
121 132 |
320
|
5.5
|
68
|
|
|
2200
|
18°
16° 14° |
201600
180000 165000 |
193
205 210 |
480
|
15
|
79
|
|
29°
27° 25° |
155000
120000 119500 |
135
142 155 |
320
|
7.5
|
71
|
|
|
2400
|
19°
17° 15° |
220800
198500 176500 |
212
228 246 |
480
|
18.5
|
84
|
|
26°
23° 20° |
175000
162000 135000 |
148
164 188 |
320
|
11
|
77
|
|
|
21°
18° 15° |
140000
120000 85000 |
150
162 171 |
220
|
7.5
|
70
|
3.DWT-Ⅱ型離心式屋頂通風機性能參數
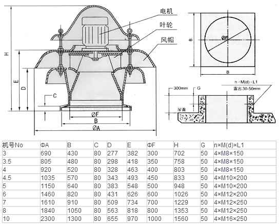
|
機號
№ |
轉速
r/min |
風量
m3/h |
風壓
Pa |
功率
kW |
噪聲
dB(A) |
參考重量
kg |
|
3
|
1450
|
878
|
220
|
0.75
|
≤57
|
88
|
|
925
|
210
|
|||||
|
1059
|
188
|
|||||
|
1130
|
167
|
|||||
|
1253
|
122
|
|||||
|
3.5
|
1450
|
1395
|
299
|
1.1
|
≤59
|
95
|
|
1470
|
285
|
|||||
|
1682
|
256
|
|||||
|
1794
|
227
|
|||||
| 1990 | 166 | |||||
|
4
|
1450
|
1887
|
412
|
1.1
|
≤62
|
115
|
|
2083
|
391
|
|||||
|
2194
|
372
|
|||||
|
2510
|
334
|
|||||
|
2677
|
298
|
|||||
|
4.5
|
1450
|
2966
|
495
|
1.1
|
≤63
|
154
|
|
3124
|
471
|
|||||
|
3574
|
423
|
|||||
|
3812
|
376
|
|||||
|
4514
|
231
|
|||||
|
5
|
1450
|
4068
|
615
|
2.2
|
≤64
|
195
|
|
4285
|
582
|
|||||
|
4903
|
522
|
|||||
|
5438
|
485
|
|||||
|
6113
|
378
|
|||||
|
6
|
960
|
5024
|
385
|
1.5
|
≤65
|
234
|
|
5512
|
367
|
|||||
|
6120
|
330
|
|||||
|
6782
|
293
|
|||||
|
7338
|
223
|
|||||
|
7
|
960
|
8015
|
548
|
3.0
|
≤68
|
292
|
|
8804
|
499
|
|||||
|
9827
|
448
|
|||||
|
10836
|
398
|
|||||
|
11925
|
371
|
|||||
|
8
|
960
|
12563
|
721
|
5.5
|
≤70
|
374
|
|
13565
|
686
|
|||||
|
14157
|
654
|
|||||
|
15824
|
587
|
|||||
|
16708
|
521
|
|||||
|
10
|
720
|
22150
|
1072
|
11
|
≤72
|
396
|
|
23298
|
1020
|
|||||
|
26573
|
916
|
|||||
|
28395
|
813
|
|||||
|
31436
|
702
|
4.DWT-Ⅲ型離心式屋頂通風機性能參數
|
機號 № |
轉速 r/min |
風量 m3/h |
靜壓 Pa |
裝機容量 kW |
重量 kg |
機號 No |
轉速 r/min |
風量 m3/h |
靜壓 Pa |
裝機容量 kW |
重量 kg |
|
| 2.8 | 1440 | 1260 | 100 | 0.18 | 18 | 5.6 | 720 | 4860 | 150 | 0.37 | 67 | |
| 1040 | 150 | 1800 | 200 | |||||||||
| 2880 | 3080 | 100 | 0.55 | 20 | 960 | 9040 | 100 | 0.75 | 67 | |||
| 2710 | 300 | 8460 | 150 | |||||||||
| 2300 | 500 | 7800 | 200 | |||||||||
| 3.15 | 1440 | 2050 | 80 | 0.18 | 19 | 1440 | 14040 | 150 | 3.0 | 77 | ||
| 1740 | 150 | 12960 | 300 | |||||||||
| 1450 | 200 | 11160 | 500 | |||||||||
| 2880 | 4370 | 150 | 1.1 | 24 | 6.3 | 720 | 9090 | 100 | 0.75 | 80 | ||
| 3920 | 400 | 7920 | 150 | |||||||||
| 3470 | 600 | 6210 | 200 | |||||||||
| 3.55 | 1440 | 2880 | 100 | 0.25 | 21 | 960 | 12450 | 150 | 3.0 | 83 | ||
| 2620 | 150 | 11760 | 200 | |||||||||
| 2320 | 200 | 9840 | 300 | |||||||||
| 2880 | 6270 | 150 | 2.2 | 29 | 1440 | 20020 | 150 | 5.5 | 85 | |||
| 5760 | 400 | 18970 | 300 | |||||||||
| 4930 | 700 | 17100 | 500 | |||||||||
| 4.0 | 960 | 2750 | 80 | 0.18 | 32 | 7.1 | 720 | 13800 | 100 | 1.1 | 96 | |
| 2590 | 100 | 12600 | 150 | |||||||||
| 2040 | 150 | 11400 | 200 | |||||||||
| 1440 | 4460 | 100 | 0.55 | 35 | 960 | 17640 | 150 | 2.2 | 98 | |||
| 4030 | 200 | 16170 | 200 | |||||||||
| 3420 | 300 | 14700 | 300 | |||||||||
| 4.5 | 960 | 3940 | 100 | 0.25 | 34 | 1440 | 27000 | 200 | 5.5 | 136 | ||
| 3460 | 150 | 25400 | 300 | |||||||||
| 2760 | 200 | 24000 | 500 | |||||||||
| 1440 | 6280 | 150 | 1.1 | 39 | 8.0 | 720 | 19800 | 100 | 2.2 | 146 | ||
| 5470 | 300 | 18000 | 150 | |||||||||
| 4680 | 400 | 17200 | 200 | |||||||||
| 5.0 | 720 | 4230 | 80 | 0.18 | 46 | 960 | 26000 | 150 | 4.0 | 152 | ||
| 3870 | 100 | 25020 | 200 | |||||||||
| 2450 | 150 | 24000 | 300 | |||||||||
| 960 | 6120 | 100 | 0.55 | 46 | 1440 | 40000 | 200 | 7.5 | 163 | |||
| 5530 | 150 | 37800 | 300 | |||||||||
| 4470 | 200 | 35800 | 500 | |||||||||
| 1440 | 9650 | 150 | 1.5 | 52 |
DWT軸流式屋頂通風機外形圖及尺寸表
DWT-I型 12~20#軸流式屋頂風機(可變角度)外形結構圖及安裝尺寸 (圖1)
DWT-I型 22~24#軸流式屋頂風機(可變角度)外形結構圖及安裝尺寸 (圖2)
|
型號
|
尺 寸(單位:mm)
|
|||||||||
|
ФA
|
ФD
|
B
|
G
|
F
|
C
|
E
|
H
|
M(d)×L1
|
重量(kg)
|
|
|
3
|
650
|
300
|
370
|
30
|
60
|
510
|
300
|
545
|
M8×250
|
15
|
|
4
|
650
|
400
|
470
|
30
|
60
|
630
|
340
|
585
|
M12×250
|
28
|
|
5
|
1000
|
500
|
570
|
30
|
60
|
750
|
390
|
715
|
M12×300
|
37
|
|
6
|
1000
|
600
|
670
|
30
|
60
|
870
|
440
|
765
|
M12×300
|
57
|
|
7
|
1340
|
700
|
800
|
40
|
80
|
1000
|
480
|
950
|
M12×300
|
85
|
|
8
|
1340
|
800
|
900
|
40
|
80
|
1100
|
480
|
950
|
M12×350
|
124
|
|
9
|
1650
|
900
|
1000
|
40
|
80
|
1250
|
480
|
950
|
M12×350
|
146
|
|
10
|
1800
|
1000
|
1100
|
40
|
80
|
1400
|
480
|
1105
|
M12×350
|
216
|
|
11.2
|
1800
|
1120
|
1240
|
40
|
80
|
1540
|
480
|
1105
|
M16×350
|
258
|
|
12 |
1800 |
1200 |
1360 |
50
|
100
|
1660 |
500 |
1125 |
M12×350 |
279 |
|
14 |
2500 |
1400 |
1560 |
50
|
100
|
1990 |
600 |
1350 |
M16×400 |
359 |
|
15 |
2500 |
1500 |
1700 |
50
|
100
|
2040 |
600 |
1350 |
M18×400 |
386 |
|
16 |
3000 |
1600 |
1800 |
50
|
100
|
2160 |
600 |
1460 |
M18×450 |
397 |
|
18 |
3000 |
1800 |
2000 |
50
|
100
|
2400 |
600 |
1460 |
M18×450 |
562 |
|
20 |
3400 |
2000 |
2200 |
50
|
100
|
2600 |
600 |
1460 |
M20×400 |
721 |
|
22 |
4200 |
2200 |
2400 |
50 |
100
|
2800 |
600 |
1500 |
M20×450 |
756 |
|
24 |
4200 |
2400 |
2600 |
50 |
100
|
3000 |
600 |
1500 |
M20×450 |
856 |
2.DWT-II型離心式屋頂風機外形結構圖及安裝尺寸
3.DWT-III離心式軸流式屋頂通風機外形尺寸及基礎尺寸
上一個 : WT、WS系列玻璃鋼離心屋頂風機 下一個 : BDW-87-4型玻璃鋼屋頂軸流風機





